English
Español
Português
русский
Français
日本語
Deutsch
tiếng Việt
Italiano
Nederlands
ภาษาไทย
Polski
한국어
Svenska
magyar
Malay
বাংলা ভাষার
Dansk
Suomi
हिन्दी
Pilipino
Türkçe
Gaeilge
العربية
Indonesia
Norsk
تمل
český
ελληνικά
український
Javanese
فارسی
தமிழ்
తెలుగు
नेपाली
Burmese
български
ລາວ
Latine
Қазақша
Euskal
Azərbaycan
Slovenský jazyk
Македонски
Lietuvos
Eesti Keel
Română
Slovenski
मराठी
Srpski језик
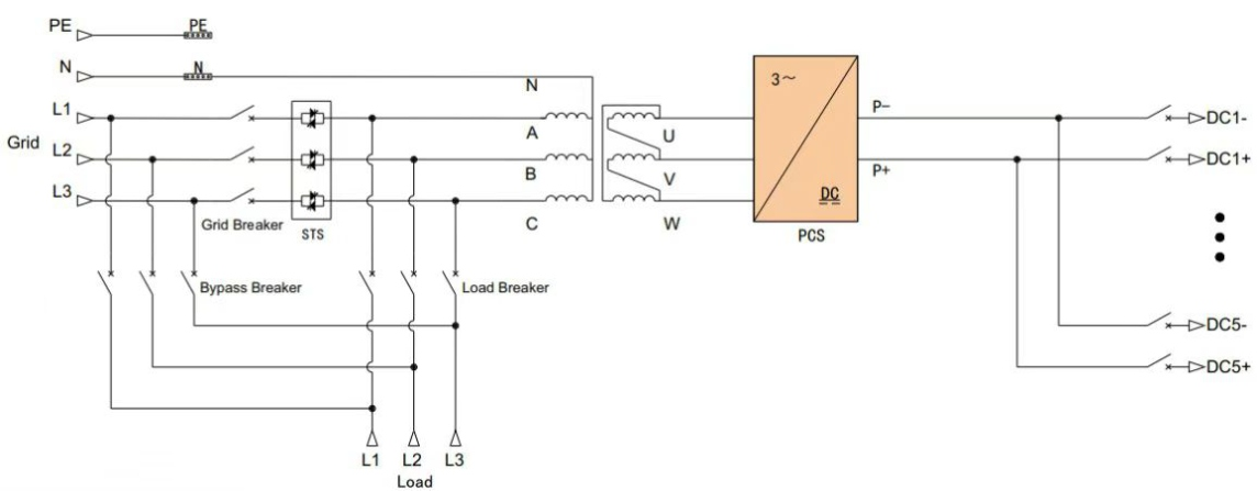
ميزات المنتج
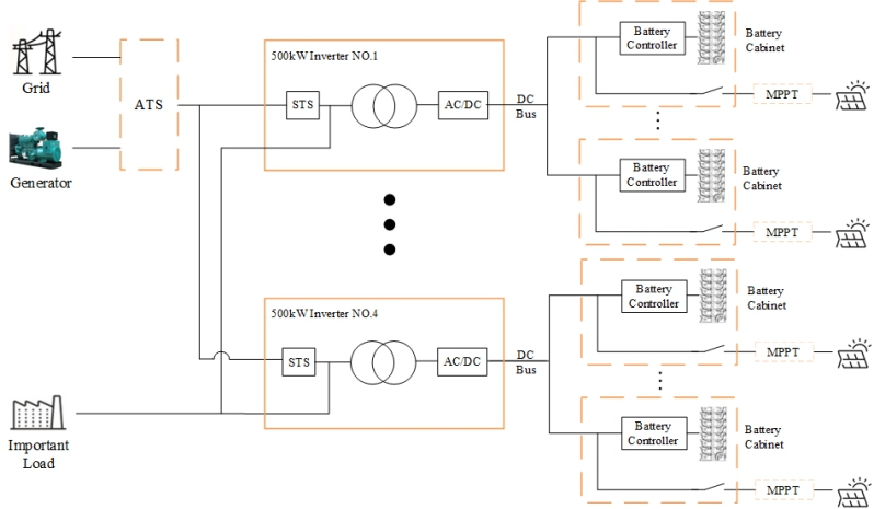
1. الأحمال التي تتجاوز 500 كيلوواط، يوصى باستخدام عاكس تخزين طاقة أحادي الوحدة بسعة كبيرة 500 كيلوواط، وهو قادر على دعم ما يصل إلى أربع مجموعات من التوصيلات المتوازية، وتحقيق إجمالي خرج طاقة يبلغ 2 ميجاوات؛
2. عند تشغيل أنظمة متعددة بقدرة 500 كيلووات بالتوازي وتوزيع STSaعبر محولات مختلفة بقدرة 500 كيلووات، من الضروري التأكد من أن طول الكابل من نقطة ربط الشبكة إلى نقطة ربط الحمل ثابت؛
3. يستخدم نظام ESS الهجين التكامل الكهروضوئي المقترن بالتيار المستمر، مما يحقق كفاءة عالية في تحويل الطاقة ومُحسّنًا لسيناريوهات خارج الشبكة مع قدرة توليد كهروضوئية تتجاوز طلب الحمل؛ MPPT المصنف في الهواء الطلق
تقوم وحدات التحكم بدمج وظائف الموحد وMPPT في حاوية واحدة مقواة. يشتمل النظام الكامل على خيار مولد الديزل ATS، وعاكس هجين بقدرة 300 كيلووات، ووحدة تحكم PV MPPT، وبطارية
نظام تخزين الطاقة.


مواصفة
| نماذج | P500TS-400-A | |
|
معلمات جانب التيار المستمر |
نطاق الجهد | 500-950 فولت |
| الحد الأقصى الحالي | 1128 أ | |
| طاقة الإخراج المقدرة | 500 كيلوواط | |
|
معلمات جانب التيار المتردد (متصل بالشبكة) |
الحد الأقصى لطاقة الإخراج | 550 كيلو واط |
| تصنيف الانتاج الحالي | 722A | |
| تي دي آي | <3% | |
| نوع الشبكة | 3 واط + ن + بي | |
| نطاق الجهد | 360 فولت تيار متردد ~ 440 فولت تيار متردد | |
| نطاق التردد | 45 ~ 55 هرتز / 55 ~ 65 هرتز | |
| عامل الطاقة | -1~1 | |
| طاقة الإخراج المقدرة | 500 كيلوواط | |
|
معلمات جانب التيار المتردد (خارج الشبكة) |
تصنيف الجهد الناتج | 400 فولت |
| تردد الإخراج المقدر | 50/60 هرتز | |
| ثدو | <1% تحميل خطي، <5% تحميل غير خطي | |
| القدرة الزائدة | 110%10 دقائق | |
| مفتاح تجاوز الصيانة | 1250 أ | |
|
التبديل خارج الشبكة و تكوين التبديل |
تبديل العاصمة | 1250 أ |
| تبديل التحميل | 1250 أ | |
| تبديل الشبكة | 1250 أ | |
| وحدة إس تي إس | 1155 أمبير/800 كيلووات | |
| تبديل الوقت | <20 مللي ثانية | |
|
معلمات الأنظمة |
كفاءة الذروة | 97.5% |
| درجة حرارة التشغيل | -30 إلى 55 درجة مئوية (خفض درجة الحرارة فوق 40 درجة مئوية) | |
| الرطوبة النسبية | 0 إلى 95% ر، غير التكثيف | |
| الأبعاد (الطول * العمق * الارتفاع) | 1600×1050×2050 ملم | |
| وزن | 2700 كجم | |
| IPgrade | IP21 IP21 (جهاز كامل) | |
| ضوضاء | <70dB | |
| شاشة عرض | شاشات الكريستال السائل | |
| الاتصالات BMS | يستطيع | |
| اتصالات EMS | تكب / إب | |