English
Español
Português
русский
Français
日本語
Deutsch
tiếng Việt
Italiano
Nederlands
ภาษาไทย
Polski
한국어
Svenska
magyar
Malay
বাংলা ভাষার
Dansk
Suomi
हिन्दी
Pilipino
Türkçe
Gaeilge
العربية
Indonesia
Norsk
تمل
český
ελληνικά
український
Javanese
فارسی
தமிழ்
తెలుగు
नेपाली
Burmese
български
ລາວ
Latine
Қазақша
Euskal
Azərbaycan
Slovenský jazyk
Македонски
Lietuvos
Eesti Keel
Română
Slovenski
मराठी
Srpski језик |
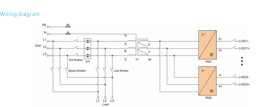
ميزة يستخدم النظام وحدات العاكس المعيارية في التكوين المتوازي، حيث يتوافق مدخل التيار المستمر لكل وحدة عاكس مع خزانة بطارية مخصصة، تمكين إدارة كل مجموعة للقضاء على التيارات المتداولة بين سلاسل البطارية. تدعم وحدات الطاقة AC/DC النشر المرن من حيث الكمية والنوع تصنيف الطاقة، مع قدرة قصوى تبلغ 60 كيلو واط في وحدات متوازية مكونة من 5 وحدات إعدادات. يتم تسليم خرج التيار المتردد من وحدات الطاقة من خلال محول مرحلة الإخراج المعزولة، لتزويد الحمل بالطاقة بمقاومة قوية الصدمة الحالية يستخدم نظام ESS الهجين التكامل الكهروضوئي المقترن بالتيار المستمر، مما يحقق مستويات عالية كفاءة تحويل الطاقة وتحسينها للسيناريوهات خارج الشبكة باستخدام الطاقة الكهروضوئية قدرة التوليد تتجاوز الطلب على الحمل؛ وحدات تحكم MPPT ذات التصنيف الخارجي دمج وظائف الموحد وMPPT في حاوية واحدة مقواة. يتضمن النظام الكامل خيار مولد الديزل ATS، وهو محرك هجين بقدرة 300 كيلووات العاكس وجهاز التحكم PV MPPT ونظام تخزين طاقة البطارية.
ميزة يستخدم النظام وحدات العاكس المعيارية في التكوين المتوازي، حيث يتوافق مدخل التيار المستمر لكل وحدة عاكس مع خزانة بطارية مخصصة، تمكين إدارة كل مجموعة للقضاء على التيارات المتداولة بين سلاسل البطارية. تدعم وحدات الطاقة AC/DC النشر المرن من حيث الكمية والنوع تصنيف الطاقة، مع قدرة قصوى تبلغ 60 كيلو واط في وحدات متوازية مكونة من 5 وحدات إعدادات. يتم تسليم خرج التيار المتردد من وحدات الطاقة من خلال محول مرحلة الإخراج المعزولة، لتزويد الحمل بالطاقة بمقاومة قوية الصدمة الحالية يستخدم نظام ESS الهجين التكامل الكهروضوئي المقترن بالتيار المستمر، مما يحقق مستويات عالية كفاءة تحويل الطاقة وتحسينها للسيناريوهات خارج الشبكة باستخدام الطاقة الكهروضوئية قدرة التوليد تتجاوز الطلب على الحمل؛ وحدات تحكم MPPT ذات التصنيف الخارجي دمج وظائف الموحد وMPPT في حاوية واحدة مقواة. يتضمن النظام الكامل خيار مولد الديزل ATS، وهو محرك هجين بقدرة 300 كيلووات العاكس وجهاز التحكم PV MPPT ونظام تخزين طاقة البطارية.
تحديد |
|||||
| نماذج | P200TS-400-A | P250TS-400-A | P300TS-400-A | ||
|
معلمات جانب التيار المستمر |
نطاق الجهد | 650-950 فولت تيار مستمر | |||
| مفتاح الإدخال لكل وحدة | 250 أ | ||||
| عدد قنوات العاصمة | 3 طريقة | 4 طريقة | 5 طريقة | ||
|
معلمات جانب التيار المتردد (متصل بالشبكة) |
طاقة الإخراج المقدرة | 200 كيلوواط | 250 كيلو واط | 300 كيلوواط | |
| الحد الأقصى لطاقة الإخراج | 220 كيلو واط | 275kW | 330 كيلوواط | ||
| تصنيف الانتاج الحالي | 289A | 361A | 433A | ||
| تي دي آي | <3% | ||||
| نوع الشبكة | 3 واط + ن + بي | ||||
| نطاق الجهد | 360 فولت تيار متردد ~ 440 فولت تيار متردد | ||||
| نطاق التردد | 45 ~ 55 هرتز / 55 ~ 65 هرتز | ||||
| عامل الطاقة | -1~1 | ||||
|
جزيرة معلمات جانب التيار المتردد |
طاقة الإخراج المقدرة | 200 كيلوواط | 250 كيلوواط 300 كيلوواط | ||
| تصنيف الجهد الناتج | 400 فولت | ||||
| تردد الإخراج المقدر | 50/60 هرتز | ||||
| ثدو | <1% خطي، <5% غير خطي<1% خطي، <5% غير خطي | ||||
| القدرة الزائدة | التحميل الزائد بنسبة 110% لمدة 10 دقائق، و110% لمدة 10 دقائق | ||||
|
جزيرة الشبكة النقل والمفاتيح الكهربائية |
مفتاح تجاوز الصيانة | 400 أ | 630 أ | ||
| مفاتيح الشبكة | 630 أ | 800 أ | |||
| تحميل المفاتيح | 400 أ | 630 أ | |||
| وحدة إس تي إس | 577A/400kW | 722 أمبير/500 كيلووات | |||
| تبديل الوقت | <20 مللي ثانية | ||||
|
معلمات الأنظمة |
كفاءة الذروة | 97.5% | |||
| درجة حرارة التشغيل | -30 إلى 55 درجة مئوية -30 إلى 55 درجة مئوية (خفض درجة الحرارة فوق 40 درجة مئوية) | ||||
| الرطوبة النسبية | 0 ~ 95% ر، 0 ~ 95% ر، عدم التكثيف | ||||
| الأبعاد (الطول * العمق * الارتفاع) | 1300×1050×2050 ملم | ||||
| وزن | 1400 كجم | 1700 كجم 1800 كجم | |||
| IPgrade | IP21 IP21 (مجموعة كاملة) | ||||
| ضوضاء | <70dB | ||||
| شاشة عرض | شاشة إل سي دي تعمل باللمس | ||||
| الاتصالات BMS | يستطيع | ||||
| اتصالات EMS | تكب / إب | ||||