English
Español
Português
русский
Français
日本語
Deutsch
tiếng Việt
Italiano
Nederlands
ภาษาไทย
Polski
한국어
Svenska
magyar
Malay
বাংলা ভাষার
Dansk
Suomi
हिन्दी
Pilipino
Türkçe
Gaeilge
العربية
Indonesia
Norsk
تمل
český
ελληνικά
український
Javanese
فارسی
தமிழ்
తెలుగు
नेपाली
Burmese
български
ລາວ
Latine
Қазақша
Euskal
Azərbaycan
Slovenský jazyk
Македонски
Lietuvos
Eesti Keel
Română
Slovenski
मराठी
Srpski језик
ميزة المنتجوفاق
1، توليد التيار المستمر وتخزين التيار المستمر، المزيد من الكفاءة وخسارة أقل، وهو مناسب للطاقة الكهروضوئية وطاقة التخزين أكبر
من سيناريوهات تحميل الطاقة خارج الشبكة؛
2، حماية IP65، تلبية الاستخدام في الهواء الطلق. تعمل تقنية MPPT القريبة على تعزيز مخرجات التقارب، مما يساعد على منع توصيل الأسلاك
الارتباك الناجم عن نقل الكابلات الكهروضوئية المتعددة عبر مسافات طويلة إلى نظام الكل في واحد.
3، نطاق جهد واسع 200-900 فولت من المدخلات الكهروضوئية، يدعم الوصول إلى الوحدة الكهروضوئية عالية التيار في الصناعة.
4、MPPT متعدد القنوات، يلبي اللوحة الكهروضوئية متعددة الزوايا
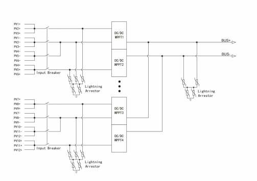
مخطط الأسلاك

مواصفة
| نماذج | MPPT-8 | MPPT-6 | MPPT-12 | |
| واجهة PV الجانبية حدود |
الحد الأقصى لجهد الصفيف الكهروضوئي | 900 فولت | ||
| نطاق الجهد MPPT | 200 فولت-900 فولت | |||
| نطاق الجهد MPPT المقدر | 560 فولت-900 فولت | |||
| الحد الأقصى لتيار الفرع | 24 أ | 20 أ | ||
| عدد سلاسل الإدخال الكهروضوئية | 8 | 6 | 12 | |
| عدد MPPT | 8 | 2 | 4 | |
| الحالي لكل MPPT | 20 أ | 55A | ||
| معلمات الإخراج | نطاق الجهد | 600-950 فولت | ||
| الجهد المقنن | الافتراضي 716.8 فولت، قابل للتعديل | |||
| تصنيف الانتاج الحالي | 118 أ | 84 أ | 168 أ | |
| طاقة الإخراج المقدرة | 84 كيلو واط | 60 كيلوواط | 120 كيلو واط | |
| الحد الأقصى للإخراج الحالي | 192 أ | 120 أ | 240 أ | |
| معلمات النظام | كفاءة الاتحاد الأوروبي | 99.4% | ||
| درجة الملكية الفكرية | IP65 | |||
| مفهوم التبريد | الحمل الحراري الطبيعي | تبريد الهواء القسري | ||
| الأبعاد (العرض*العمق*الارتفاع) | 550x530x280 ملم | 630×460×260 ملم | 630×460×260 ملم | |
| وزن | 42 كجم | 25 كجم | 30 كجم | |
| درجة حرارة التشغيل | -30~55 درجة مئوية | |||
| أوضاع إمداد الطاقة | تعمل بالطاقة الذاتية (بدون استهلاك الطاقة في الليل) | |||
| واجهة الاتصالات | RS485 | |||
